سلسلة NP3051 من أجهزة إرسال الضغط التفاضلي الذكي/الضغط هي أداة ميدانية ذكية تتوافق مع بروتوكول HART.
باستخدام المعالج الدقيق ودائرة الاتصالات HART، يمكنه التواصل مع أي برنامج كمبيوتر مضيف يدعم بروتوكول الاتصالات HART أو 268،
275 ومشغلات محمولة أخرى للاتصال ثنائي الاتجاه، وشاشة LCD رقمية ذكية مكونة من 5 أرقام، يمكنها عرض قيمة الضغط التفاضلي/الضغط، وقيمة تيار الخرج و
قيمة النسبة المئوية للإخراج، والتصحيح مريح للغاية، وتحقيق الوظيفة الرقمية والذكية للمرسل، ومتوافق مع إشارة الإخراج التناظرية التقليدية 4~20mA
يعد العداد التناظري متوافقًا مع نظام التحكم، لذا يمكن تبديله بالعداد التناظري دون تغيير نظام التحكم.
كيف يعمل

◎ دقة عالية واستقرار جيد؛
◎ مع التشخيص الذاتي المستمر والتعويض الخطي ووظائف الضبط الدقيق الرقمية؛
◎ يمكن تعديل موضع الصفر والمدى في الموقع، أو عن بعد من خلال مشغل عن بعد أو كمبيوتر؛
◎ يمكن تحديد الإخراج الخطي أو الجذر التربيعي وفقًا لتطبيقات مختلفة؛
◎ يمكن ضبط وقت التخميد بين 0.1 و 16 ثانية؛
◎ يمكنه تحقيق تحويل وحدات قيمة الضغط بين KPa وPa وInH₂0 وbar وما إلى ذلك؛
◎ يمكنك ضبط أوضاع الفشل والسلامة عن طريق تبديل مفتاح الفشل/الأمان؛
◎ مع وضع نقطة واحدة ونقاط متعددة وأوضاع متقطعة؛
◎ مع وظيفة حماية انقطاع الطاقة، يمكنه حفظ بيانات العمل تلقائيًا عند انقطاع الطاقة؛
◎ المكونات الصلبة، لوحات الدوائر المطبوعة القابلة للتوصيل صغيرة وخفيفة وقوية ومقاومة للصدمات؛
◎ خصائص حماية جيدة من الحمل الزائد في اتجاه واحد؛

سيناريوهات الاستخدام الفعلية
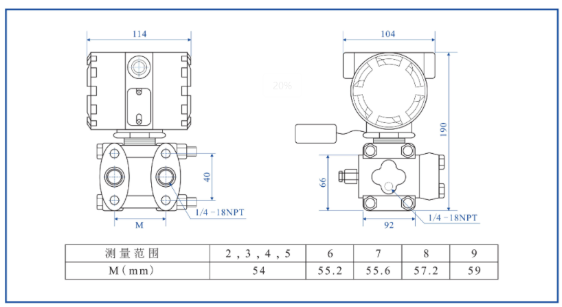
اختيار المنتج
